(1)实验目的
n 掌握岩心归位的基本原则、主要依据。
n 掌握岩心录井综合图的编绘方法。
(2) 基础资料
n W16 井岩心录井图底图。
n W16 井钻井取心岩心描述记录 。
(3)编图步骤
1)岩心录井草图的编绘
根据钻井取心岩心描述资料,绘制岩心录井草图。 自左向右绘制七道,分别 为:钻井深度、出筒情况(筒次、深度、进尺、心长、收获率)、磨损面位置、色号、岩性剖面、分层厚度、筒累计厚度。
2)岩心录井综合图的编绘
① 岩心深度归位。
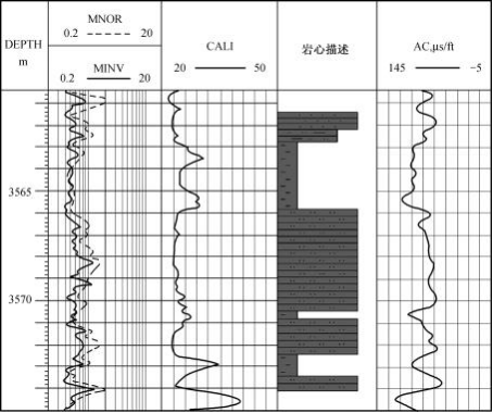
第一步:系统校深。利用岩心录井草图中的岩性标志层与相应井段的测井曲 线标志层进行对比,由此确定出钻井深度与测井深度的系统差值。 图1-19就是利用大段泥岩的高声波和井径扩大的电性特征,进行岩心深度的系统校正。

图1-19 利用大段泥岩进行系统校深
第二步:深度微调。根据取心情况(如破碎位置、收获率情况等),岩性特征(如泥岩段具有易膨胀伸长的特性),通过岩电关系的分析对局部取心位置的岩心深度进行微调。图1-20就是考虑到大段泥岩出筒后可能会发生膨胀的特点,直接将泥岩的厚度进行了适当的压缩,使大段泥岩中的砂岩薄层与其测井响应特征 相匹配。

图 1- 20 利用局部的岩电关系等进行深度微调
②岩心位置绘制。
根据岩心归位结果,在取心井段栏中按照测井井深用横线画出各筒校正后筒 顶、筒底深度,在横线上标注钻井井深,同时在栏内标注取心筒次、岩心长、进尺 长、岩心收获率等四项内容;在岩心录井综合图上画出岩心剖面,并标注颜色号、 化石及含有物、样品编号等。
③添加必要的各项图件要素(图名、图头、比例尺、图例及编制日期、制图单 位和制图人等)。
(4)要求
n 根据表岩心描述记录,用方格纸以 1 ∶100 为比例尺绘制 W16 井岩心录井草图。
n 进行岩心深度归位,绘制岩心录井综合图。